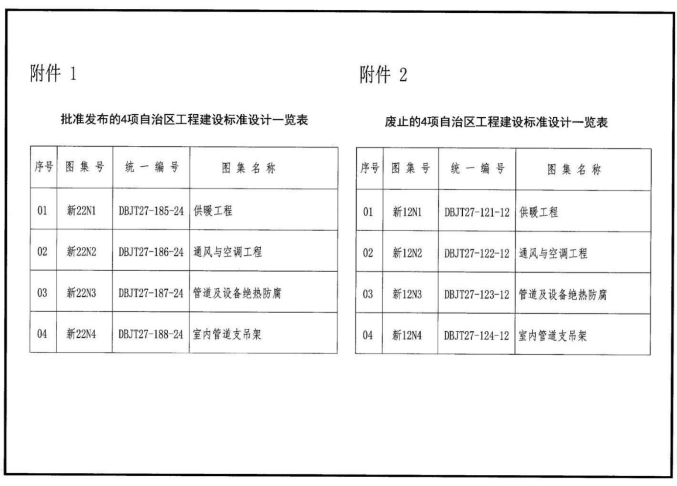
新疆圖集新22N1供暖工程 摘 要 新疆圖集新22N1供暖工程 新疆圖集新22N1供暖工程 本資料為本站收費微信群群友求助分享資料。感興趣的朋友也可以入群獲得本資料. 在線下載列表 會員下載需要E點:20 群友會員扣點數下載 VIP會員無限制下載 文章導航 贊 賞 分享 您可以選擇一種方式贊助本站 支付寶轉賬贊助 微信轉賬贊助 注解:本資料由會員及群友提供僅供閱讀交流學習,不得用于商業(yè)用途! 網站VIP會員無限制下載網站資料!贊助網站獲得,點擊贊助??! 新疆圖集新22N2 通風與空調工程 新疆圖集新22N3 室內管道支吊架 新疆圖集新22N4 室內管道支吊架 新疆維吾爾自治區(qū)工程建設標準設計 < 上一篇 新疆圖集新22N2 通風與空調工程 下一篇 > 很抱歉沒有了 文章導航